专为中国制造业打造属于国人的AI智能化公差仿真分析软件DTAS 3D。通过轻松设置,即可开启基准目标定义功能,走向新的巅峰。基准目标宛如一颗启明星,照亮了提高零件装配精度、优化制造过程以及顺畅跨部门协作的前行之路。
它以精确的定位控制,确保如汽车发动机关键部件的精准装配;以减少误差累积和合理分配公差,成就航空发动机叶片与工业机器人关节零件的高品质。
什么是基准目标?
有关GD&T的主要概念和原则有
基准:所谓基准就是与被测要素有关且用来定义其几何位置关系的一个几何理想要素(如轴线、直线、平面等),可由零件上的一个或多个要素构成。
基准要素:就是在加工和检测过程中用来建立基准并与基准要素相接触,且具有足够精度的实际表面。基准目标:考虑到制造上的误差,仅选用基准要素的部分表面(点、线或区域面)作基准参考公差。
三者的关系就是:基准要素的理想形状称为基准。基准目标是基准要素的一部分。
应用到哪些场景?
1.当完整表面不能作为基准要素时,考虑采用基准目标。比如,铸件、锻件、不规则形状工件、塑料件、大型结构件以及焊接件等,这些工件通常没有一个规则平面作为基准要素;
2.当基准要素可能扭曲或弯曲时,可能导致与基准要素模拟体接触不稳定,考虑采用基准目标。
3.当只有局部要素被用于在工件功能时,可考虑采用基准目标。
基准目标的优势?

提高零件的装配精度
✔精确的定位控制:在复杂的装配体中,通过指定 GD&T 基准目标,可以精确地确定零件的定位位置。例如,在汽车发动机缸体与缸盖的装配中,缸体上的某些特定加工面被定义为基准目标,缸盖的安装位置就能够根据这些基准目标进行精准确定。这有助于保证缸盖与缸体之间的气道、油道等结构的精确对齐,减少因装配位置不准确而导致的发动机性能下降等问题。
✔保证互换性:GD&T 基准目标能够确保不同批次生产的相同零件具有互换性。因为它明确了统一的定位和尺寸控制标准,只要零件按照规定的基准目标加工并满足公差要求,就可以在装配过程中与其他配合零件正确装配。以机械手表中的机芯零件为例,各个小齿轮、夹板等零件都是基于精确的基准目标进行加工的。这样,无论是哪个批次生产的零件,只要符合基准目标的公差要求,就能在装配时顺利互换,提高了装配效率和产品质量的稳定性。
优化制造过程
✔减少加工误差累积:在零件的加工过程中,通常需要经过多道工序。如果没有明确的基准目标,每一道工序的加工误差可能会累积,导致最终零件的形状和尺寸严重偏离设计要求。而采用 GD&T 基准目标,可以为每一道工序提供一个统一的、精确的参考,使得加工误差能够得到有效控制。例如,在加工一个航空发动机叶片时,以叶片的根部特定表面作为基准目标,后续的叶身型面加工、榫头加工等工序都以此为参考,这样可以避免因工序转换而导致的误差累积,保证叶片的整体精度。
✔合理分配公差:GD&T 基准目标有助于根据零件的功能要求合理分配公差。设计人员可以将公差集中在对零件功能影响较大的关键尺寸和特征上,而对于相对次要的部分可以适当放宽公差。例如,在一个工业机器人的关节零件中,与电机轴配合的轴承安装孔的尺寸公差可以根据 GD&T 基准目标严格控制,因为这直接影响关节的旋转精度和使用寿命。而对于一些用于固定防护盖板的安装孔,公差要求就可以相对放宽,从而在保证产品质量的前提下,降低加工成本
DTAS 3D目标建立与验证?

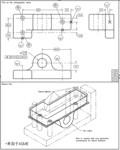
如图所示:是一个零件带有基准目标的公差标注,在DTAS 3D中如何建立基准目标呢?
1.建立A1、A2、A3、B1、B2、C1,定义孔基于基准ABC的位置度
2.建立零件到检具的装配
3.在基准要素有公差波动时,验证孔的公差带位置到检具基准ABC的距离是否为理论距离。
核心
1.DTAS 3D支持ASME/ISO/GB三种公差体系,支持各种基准体系的建立与模拟,包括三面、一面两孔/销、 两面一孔、基准目标321等
2.DTAS 3D支持通过动画和建立虚拟测量等方法验证基准体系的稳健性优劣,几何杠杆影响等